Nincs vélemény a termékről:0 értékelés

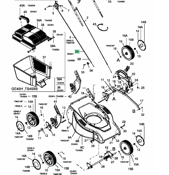
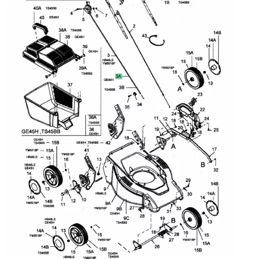
Bowden (746-04144)

Cikkszám: 
746-04144
Bowden  (746-04144)
Raktáron
2 150 Ft
Parkgép Garanciális szerviz és teljeskörű alkatrészellátás
Parkgép Használt fűnyíró traktor beszámítás
Parkgép Próbálj ki otthon 2 traktort, és hozz döntést utána
Parkgép Ingyenes szaktanácsadás ás beüzemelés
Parkgép Garanciális- és márkaszerviz is vagyunk
Parkgép Ingyenes szállítás "Ingyen kiszállítjuk!" matricával ellátott termékek esetén
Részletek

Kompatibilis gépek:

- ,MTD: , ,GE 450 H. GES 450 H

Amennyiben nem biztos benne, hogy az alkatrész jó az Ön gépéhez, kérjük telefonáljon ,


Adatok
Márka:
MTD
Gyártmány:
Eredeti
Magasság (cm) - gyári csomagolás:
5
Hosszúság (cm) - gyári csomagolás:
40
Szélesség (cm) - gyári csomagolás:
30
Tömeg:
500 g/db
Vélemények
Legyen Ön az első, aki véleményt ír!
Bowden  (746-04144)
Bowden (746-04144)
2 150 Ft
Belépés
Elfelejtett jelszó
Betöltés...
Kategóriák
Menüpontok