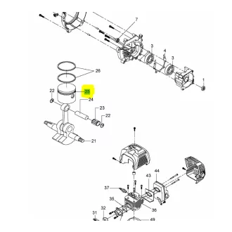
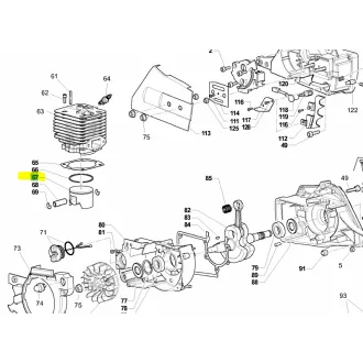
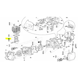
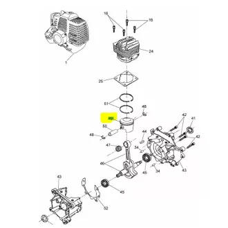
--Dugattyú

Szűrés
Termék státusza
Ár(Ft)
1 844 Ft - 18 065 Ft
Márka
Összes termék a kategóriában20 termék
Összes termék a kategóriában20 termék
Belépés
Elfelejtett jelszó
Betöltés...
Kategóriák
Menüpontok