Nincs vélemény a termékről:0 értékelés

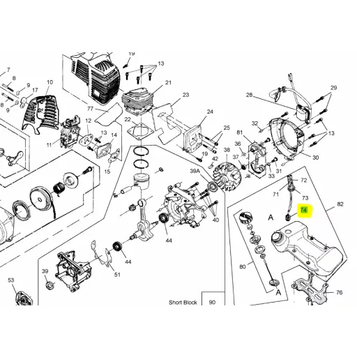
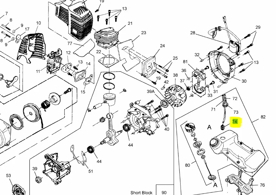
MTD benzinszűrő / 092.63.073

Cikkszám: 
092-63-073
MTD benzinszűrő / 092.63.073
MTD benzinszűrő / 092.63.073
Elérhető
Raktárkészlet állapot: Érkeztetés alatt
Várható szállítás: 2026.05.13
945 Ft
Parkgép Garanciális szerviz és teljeskörű alkatrészellátás
Parkgép Használt fűnyíró traktor beszámítás
Parkgép Próbálj ki otthon 2 traktort, és hozz döntést utána
Parkgép Ingyenes szaktanácsadás ás beüzemelés
Parkgép Garanciális- és márkaszerviz is vagyunk
Parkgép Ingyenes szállítás "Ingyen kiszállítjuk!" matricával ellátott termékek esetén
Részletek

Kompatibilis gépek:

-MTD: ,1033, 1043, ,BC 33, ,BC 43, ,BC 52, ,1033 J, ,1033 AVS, ,1043 AVS, ,SMART BC 33 D, SMART BC 43 D

Amennyiben nem biztos benne, hogy az alkatrész jó az Ön gépéhez, kérjük telefonáljon


Adatok
Márka:
MTD
Gyártmány:
Eredeti
Tömeg:
1 kg/db
Vélemények
Legyen Ön az első, aki véleményt ír!
MTD benzinszűrő / 092.63.073
MTD benzinszűrő / 092.63.073
945 Ft
Belépés
Elfelejtett jelszó
Betöltés...
Kategóriák
Menüpontok