Nincs vélemény a termékről:0 értékelés

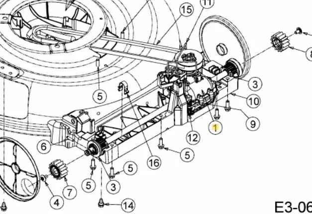
MTD önjáró fűnyíró hajtómű (618-04881A)

Cikkszám: 
618-04881A
MTD önjáró fűnyíró hajtómű (618-04881A)
MTD önjáró fűnyíró hajtómű (618-04881A)

Típusok:

SP 53 HWB, Smart 53 MSPB, FSPB,

Raktáron
39 800 Ft
Parkgép Garanciális szerviz és teljeskörű alkatrészellátás
Parkgép Használt fűnyíró traktor beszámítás
Parkgép Próbálj ki otthon 2 traktort, és hozz döntést utána
Parkgép Ingyenes szaktanácsadás ás beüzemelés
Parkgép Garanciális- és márkaszerviz is vagyunk
Parkgép Ingyenes szállítás "Ingyen kiszállítjuk!" matricával ellátott termékek esetén
Részletek

Kompatibilis gépek:

MTD / Petrol mower self propelled / Gold 21"

Yard-Man / Petrol mower self propelled / YM 6521 SPHWB

Cub Cadet / Petrol mower self propelled / CC 53 MSPO

Troy-Bilt / Petrol mower self propelled / TB 260


Amennyiben nem biztos benne, hogy az alkatrész jó az ön gépéhez, kérjük telefonáljon.


Adatok
Márka:
MTD
Gyártmány:
Eredeti
Tömeg:
2 kg/db
Vélemények
Legyen Ön az első, aki véleményt ír!
MTD önjáró fűnyíró hajtómű (618-04881A)
MTD önjáró fűnyíró hajtómű (618-04881A)
39 800 Ft
Belépés
Elfelejtett jelszó
Betöltés...
Kategóriák
Menüpontok