Nincs vélemény a termékről:0 értékelés

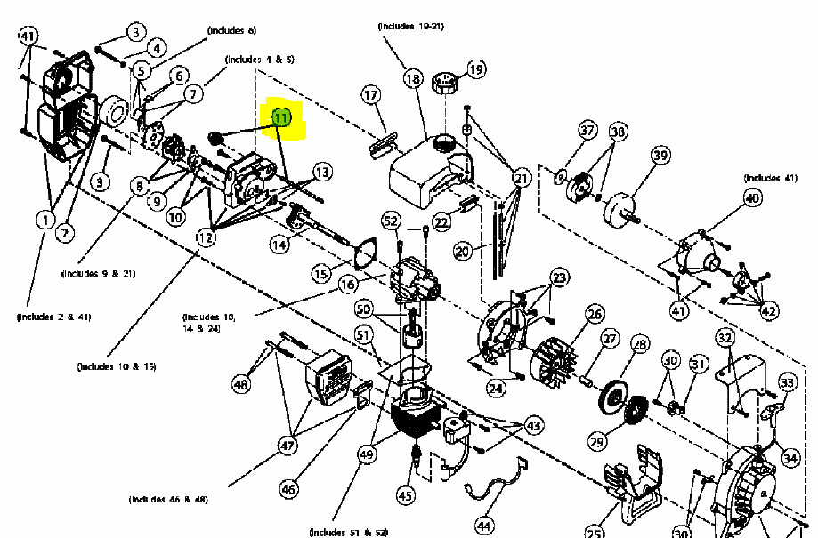
MTD szivatógomb fűkaszához (791-683974B)

Cikkszám: 
791-683974B
MTD szivatógomb fűkaszához (791-683974B)
MTD szivatógomb fűkaszához (791-683974B)
Raktáron
9 560 Ft
Parkgép Garanciális szerviz és teljeskörű alkatrészellátás
Parkgép Használt fűnyíró traktor beszámítás
Parkgép Próbálj ki otthon 2 traktort, és hozz döntést utána
Parkgép Ingyenes szaktanácsadás ás beüzemelés
Parkgép Garanciális- és márkaszerviz is vagyunk
Parkgép Ingyenes szállítás "Ingyen kiszállítjuk!" matricával ellátott termékek esetén
Részletek

Kompatibilis gépek:

- MTD: T 120, ,600, ,700, ,700 VP, ,710 AST, ,790, ,790 AST, ,790 J, ,790 M, ,790 MAST, ,790 TB, ,780, ,780 HQ, ,BV 3100, ,

Amennyiben nem biztos benne, hogy az alkatrész jó az Ön gépéhez, kérjük telefonáljon. ,


Adatok
Márka:
MTD
Gyártmány:
Eredeti
Tömeg:
1 kg/db
Vélemények
Legyen Ön az első, aki véleményt ír!
MTD szivatógomb fűkaszához (791-683974B)
MTD szivatógomb fűkaszához (791-683974B)
9 560 Ft
Belépés
Elfelejtett jelszó
Betöltés...
Kategóriák
Menüpontok